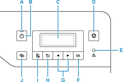
Radna ploča

- A: Žaruljica UKLJUČENO (ON)
- Svijetli nakon treperenja ako je napajanje uključeno.
- B: Gumb UKLJUČENO (ON)
-
Uključuje ili isključuje napajanje.
- C: LCD (zaslon od tekućih kristala)
- Prikazuje poruke, stavke izbornika i radni status.
- D: Gumb Zaustavi (Stop)
- Otkazuje rad u tijeku zadatka ispisa ili odabir stavke izbornika.
- E: Žaruljica Alarm
- Svijetli ili treperi ako dođe do pogreške.
- F: Gumb U redu (OK)
- Finalizira odabir stavki. Koristi i za otklanjanje pogrešaka.
- G: Gumbi
i 
- Koristi se za odabir stavke postavke. Ti gumbi koriste se i za unos znakova.
- H: Gumb Natrag (Back)
- Vraća LCD na prethodni zaslon.
- I: Gumb Postava (Setup)
- Prikazuje zaslon Izbornik Postavljanje (Setup menu). Pomoću tog izbornika možete vršiti održavanje pisača i mijenjati postavke pisača. Koristi se i za odabir načina unosa.
- J: Gumb Bežično povezivanje (Wireless connect)
- Za postavljanje podataka bežičnog usmjerivača u pisaču izravno s pametnog telefona ili drugog sličnog uređaja (bez potrebe izvršavanja bilo kakvih postupaka na usmjerivaču) ovaj gumb držite pritisnutim.

